AWEKO - Winkelbohr- und Winkelfräsköpfe mit Schnelllauf-Spindeln ausgestattet bieten bei niedrigen Antriebsdrehzahlen einen extrem ruhigen Lauf, und somit eine optimale Oberflächenbearbeitung. Hauptsächlich werden diese Werkzeuge für die Schlichtbearbeitung eingesetzt. Somit können wir für Ihren speziellen Bedarfsfall die optimale Lösung bieten.

Beschreibung:

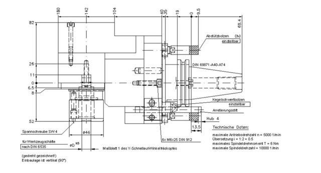
Hauptantrieb in Speziallagerung für die Aufnahme höchster Querkräfte und hoher axialer Abstützkräfte. Vorzugsweise werden die AWEKO® Schnelllauf Winkelfräsköpfe mit einer speziellen Maschinenabstützung gefertigt. Es sind verschiedene Getriebe- Untersetzungen möglich. Des Weiteren sind verschiedene Spindelsysteme möglich. Im Ausführungsbeispiel wurde folgende Lösung präferiert:

Aufgabenstellung:

Fräsen von dünnwandigen Aluminiumprofilen und Aluminium- Verbundstoffen. Fräser Ø12 und Ø14 Vollhartmetall, gespannt in Hydrodehnspannspindel Ø12 und Ø14. Antrieb erfolgt über SK40 DIN 69871A. Maschine STAMA MC 330/530 mit spezieller Bohrkopfabstützung mit 3 Auflagepunkte und einer spielfrei justierbaren Drehmomentabstützung.